TRANSFORMER BALANCED OR TRANSFORMERLESS – WHICH IS BETTER?
Microphone spec sheets usually tell you if the output is transformer balanced or transformerless. But what does it mean, and how does it affect the microphone’s sound characteristics?
WHAT DOES “BALANCED” MEAN, ANYWAY?
Studio microphones always have a balanced output. Balanced means, there are two signal lines and a separate ground connection, usually the cable shield. Unbalanced outputs, as for instance on an electric guitar, have only one signal line plus the cable shield. An electrical audio signal always requires two connections, so on the guitar the output signal is referenced between the signal line and the cable shield. On the microphone (or any other balanced output), the audio signal is referenced between the two signal lines. That’s because balanced signal lines reduce interference due to external electric fields. In other words, buzz and hum.
Here’s how it works: If, for instance, a microphone cable runs near a power line, its AC current will induce a small current, i.e. a 50/60 Hz hum, in both signal lines. You won’t hear it, though, because your microphone preamp is what is called a differential amplifier: it amplifies the difference between both signal lines. Since the hum noise is induced in both signal lines equally, there’s no difference in hum voltage. So your preamp only amplifies the microphone signal, which is between the two signal lines, but not the 56/60 Hz hum which is equal in both lines. Clever, isn’t it?
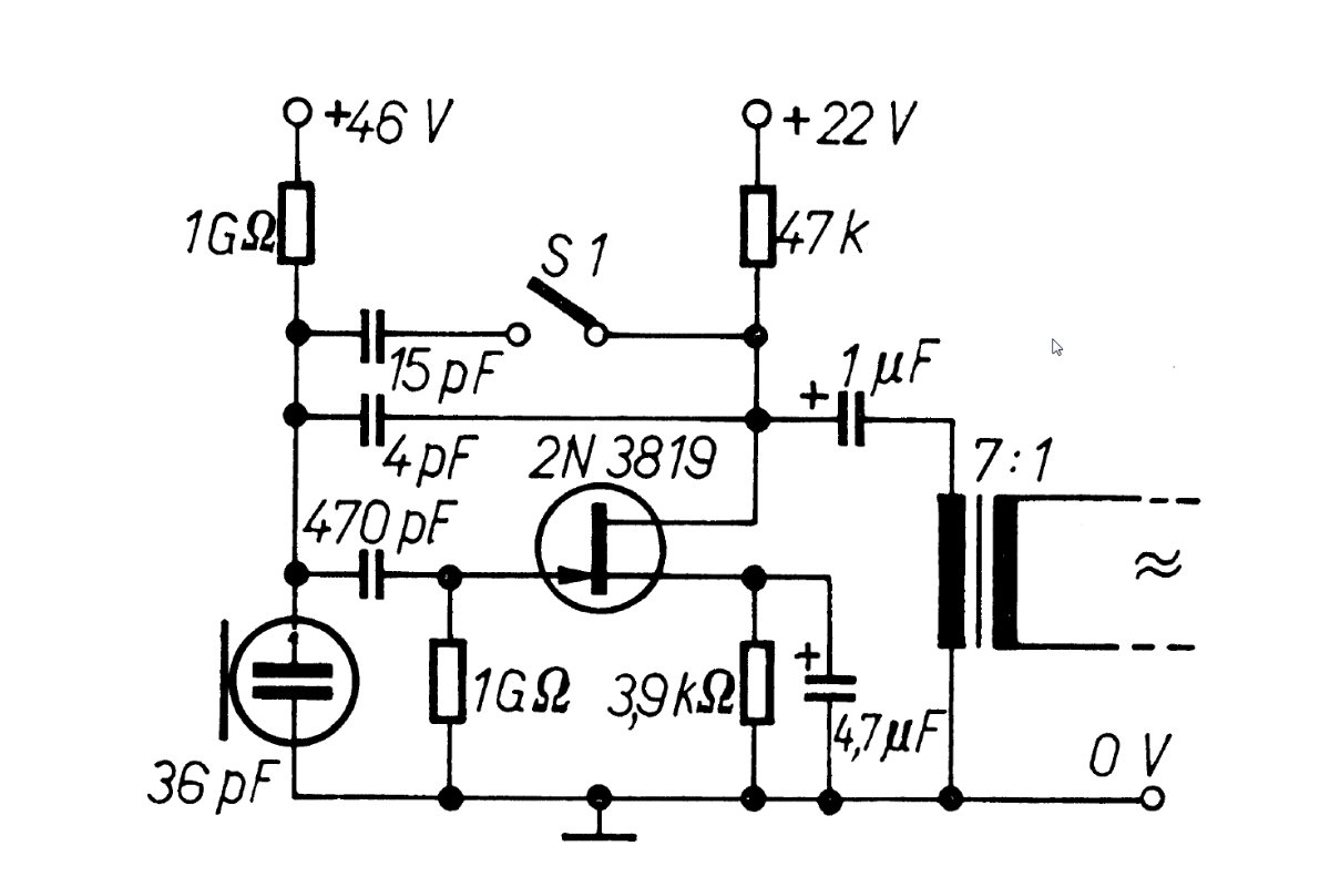
OUTPUT BALANCING
There are several ways to achieve a balanced output. It’s very easy with dynamic (moving coil) microphones: The two signal wires of the capsule are directly wired to XLR pins 2 and 3. That wouldn’t work with a condenser capsule because it requires electronic circuitry to convert the ultra high impedance capsule signal to a low impedance output. So the output of these impedance converter electronics must be balanced in some way.
Traditionally this was done by means of an output transformer. This technique was very convenient for tube and early transistor electronics, because the transformer could also be used for the final part of the impedance conversion. A single tube or FET did the first stage, and a step-down transformer did the second stage of the impedance conversion. This allowed for very simple circuits consisting of very few components.
In the late 70s and early 80s, transformerless outputs became the new fashion among audio purists. It was around this time that Neumann introduced its TLM series (TLM = transformerless microphone). Audio transformers were considered outdated technology which – potentially – stood in the way of the most direct sound experience. To understand this, you have to consider the fact that at that time transformers were everywhere, not just in microphones. Back then, a typical broadcast console contained dozens, sometimes hundreds of audio transformers. Replacing any unnecessary transformers with electronic balancing circuitry seemed like a good idea. Not only because it promised less sound coloration but also because of reduced costs. While other electronic components such as transistors or op-amps have become cheaper over the years, high quality transformers have remained expensive.
TRANSFORMERS AND SOUND COLORATION
When transformers were at every stage in the audio path, their sound coloration was considered a bad thing. Today’s studio equipment is mostly transformerless and its sound is much more transparent indeed. Many engineers couldn’t be happier. But some engineers, mostly in the pop/rock/hip-hop scene, feel that this super-transparent sound is a bit bland and long for a touch of that good old “vintage” tone. As a result, transformer balanced equipment has resurged in popularity.
Audio transformers do indeed color the sound image, but not as much as people tend to think. Especially when it comes to microphones. Transformer balanced microphones are said to offer smoother top end and deeper bottom end. In reality, a well designed audio transformer is able to transmit frequencies beyond the human hearing range, so it does not limit or smooth out the treble response audibly. In fact, transformers often show a slight resonance above 20 kHz, which gives the top end an airy feel. Transformers may also have a slight resonance at the lower end of the spectrum, which may indeed give the impression of a fatter bottom end.
However, transformerless microphones usually have a more extended response both in the high and the low frequencies. And, more importantly, transformerless microphones can take much more level without distortion.
Rumor has it that transformer distortion adds a pleasant character, but that’s not really the case. Transformer distortion produces mostly uneven harmonics, and it’s not very gradual either. Once the transformer core saturates, distortion rises very fast to an unpleasant or even unusable level. Also keep in mind that, most of the time, microphone levels are quite low; there’s hardly any transformer distortion when you record a singer or a guitar. You may run into distortion when you record drums, but, as stated before, it may not be the kind of distortion you want. Also consider the fact that transformer distortion is frequency dependent. At low frequencies, transformers distort at much lower levels than at higher frequencies. There are hardly any transformer balanced microphones that can be used on a kick drum (one famous exception being the Neumann U47 fet, which has an unusually big transformer).
SOUND SAMPLES
IT’S NOT THAT EASY TO DISCERN A SOUND DIFFERENCE BETWEEN TRANSFORMER BALANCED AND TRANSFORMERLESS MICROPHONES, IF BOTH MODELS USE THE SAME CAPSULE DESIGN.
- Transformer balanced microphone
- Transformerless microphone
TRANSFORMER BALANCED VS. TRANSFORMERLESS – WHICH IS BETTER?
Depending on who you ask, you’ll get different responses. But the fact is that there are hardly any microphones which are offered in both transformer balanced and transformerless versions. So people tend to generalize from experiences they’ve had with different microphones of either type. Many transformer balanced microphones (such as the Neumann U 87) date from the 60s and 70s, when most engineers preferred a rather mellow kind of sound. Transformerless microphones (such as the Neumann TLM 103) became popular much later in the 80s and 90, when most engineers wanted a brighter, more modern sound. So if those microphones sound different, it’s not so much because of changes in technology but (mostly) because of changes in sound aesthetics.
Audio transformers do color the sound somewhat, but to a much lesser extend than people think. Transformer balanced microphones tend to have a slightly thicker bottom end and a slightly airy top end. The sound image also appears slightly less direct.
Transformerless, electronically balanced microphones can handle high sound pressure levels, even at ultra-low frequencies. If you want great punch and a very immediate “in-your-face” sound, go transformerless.
Quite apart from questions of sound, electronic balancing is much more cost effective than a high quality audio transformer. So if you want top quality sound at an affordable price, get a transformerless microphone such as the Neumann TLM 102 or TLM 103. Always keep in mind that least 90% of a microphone’s sound is in the capsule!