HOW TO CONNECT YOUR MICROPHONE TO AN AUDIO INTERFACE

Getting Started (2)

\Audiointerface_Aufmacher_header

HOW TO CONNECT YOUR MICROPHONE TO AN AUDIO INTERFACE

Microphones typically produce fairly low output levels. Therefore, a microphone always requires a preamp that amplifies its low level output to line level. Most audio interfaces already have built-in preamps, which are usually good enough to get started. You may want to get an external preamp for better sound quality, later on. But there’s no need to rush to the store right now.

CHOOSING THE CORRECT INPUT

Today’s audio interfaces often come with what is called combo jacks. Those are two connectors in one: The outer part is an XLR jack, and the hole in the middle is a TRS jack. The following is absolutely crucial: The XLR part is for microphones, the TRS part is either for line sources or instruments, but not for microphones.

So when you buy a microphone cable, make sure it is XLR female to XLR male. Some stores may sell you “microphone cables” that have a TRS plug at one end – you can use those for Karaoke, but not in your home studio. If you plugged your mic into the TRS input, it would either be noisy or not work at all. You can access the microphone preamp only via the XLR input.

POWERING CONDENSER MICS

Condenser microphones require external power for their internal electronics. The international standard is P48 phantom power (a Neumann invention, by the way). Just about any microphone input, these days, is equipped with phantom power. All you have to do is press the button labeled “P48”, “48V”, or “Phantom Power”. Sometimes there is a global switch for all microphone inputs; more expensive devices often come with individual P48 switches for each input. Some audio interfaces don’t have a hardware switch, at all; instead you must activate phantom power via their control software.

As a general rule: Always connect your mic(s) first, before you turn on phantom power. Hot plugging while P48 is already activated can harm your mics. Also, never put anything between your mic and your microphone input. Any device in-between will likely block phantom power and/or degrade the sound quality. Also, puttting mic inputs on a patchbay is not recommended. Always connect your mic directly to the XLR mic input.

CAN PHANTOM POWER HARM DYNAMIC MICROPHONES?

Dynamic microphones, i.e. moving coil and ribbon mics, don’t require phantom power (a rare exception being “active” ribbon mics). But what if you want to use a dynamic and condenser mics at the same time, and there’s only a global switch for phantom power? That’s no problem, really. As long as everything is wired correctly, phantom power does not affect dynamic mics, at all. However, just to be safe, it’s better to keep phantom power deactivated for ribbon mics. Phantom power shouldn’t harm ribbon mics, either, but since they are very fragile, there is no safety margin in the event of faulty connections or (accidental) hot plugging while P48 is already on.

WHAT EXACTLY IS PHANTOM POWER, AND CAN IT BE DANGEROUS TO HUMANS?

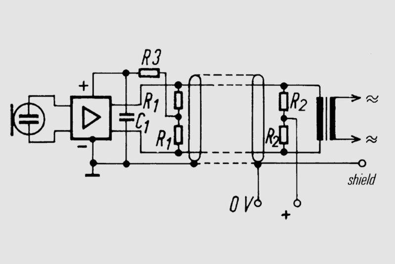
A studio microphone operates with a balanced output: There are three pins: hot, cold and ground. The signal is between hot and cold; ground is connected to the cable shield. Phantom power is a DC voltage, whose positive side is applied to both signal pins. So there is no voltage difference between hot and cold, and that’s why it’s called phantom power: It is there and it isn’t. It exists only between ground and either of the signal pins, but a dynamic microphone won’t “see” it, because its transducer is only connected to the two signal pins.

P48 Phantom power operates with 48 Volts (+/- 4 Volts). Sounds like a lot, but it is not dangerous, really: The voltage is applied via large resistors (6.8 kOhms) which limit the available current to a non-lethal amount. Never put an XLR plug into your mouth, though! Even a 9V battery in contact with your wet tongue can potentially be dangerous. Not for a healthy person, but if you have a pacemaker or have serious heart problems.